Tel. +49 - 34293 - 5000
E-Mail: vhg@vhg-group.com
english
polski
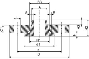
EN 1092-1, Typ 34
Tabelle in neuem Fenster laden
Praktisch zum ausdrucken: Unser Liefersortiment als PDF-Dateien. Downloads